關於聯金行
產品介紹
國內外最新動態
聯絡我們
機械五金
(日本外匯進口)
無段變速機
減速機
電動吊車
高樓洗窗機
震動馬達
吊貨捲揚機吊架
堆高機
捲揚機•小金剛
高空作業車
發電機
雪鏈
傳統式雪鏈安裝方法
網狀雪鏈安裝方法
車用12V/24V直流絞盤
RAMSEY WINCH
OKAMOTO WINCH JAPAN
精品配件
>
產品介紹
> 車用12V/24V直流絞盤 >
OKAMOTO WINCH JAPAN
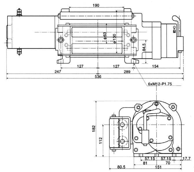
> 9000磅
9000磅
關於聯金行
│
產品介紹
│
國內外最新動態
│
聯絡我們
台中市東區振興路236號 TEL:886-4-22154050/886-4-22115166 FAX:886-4-22262839
Copyright LIEN JIN All right reserved Design byH.H